CONTACT US
北京利達華信電子股份有限公司
聯系人:何經理
服務熱線:4006-598-119
郵箱:1334605518@qq.com
傳真:15262554119
地址:蘇州常熟市黃河路275號
商品類別:消防各種模塊
點擊次數:2504
上架時間:2025年07月02日
全國服務熱線: 4006-598-119
產品描述
利達LD6806G中繼模塊

一、利達LD6806G中繼模塊概述
利達LD6806G中繼模塊采用特殊防潮技術和插拔式結構設計。LD6806G主要作用是擴增二總線負載能力,提高消防報警系統的可靠性。當信號線過長(線路總電阻大于502)或線路電壓過低時(探測線路電壓低于14V或啟動后電壓低于14V)建議在信號總線上加裝LD6806G中繼模塊,然后在LD6806G的輸出端可再加負載,此外LD6806G中繼模塊也具備短路保護隔離器的作用。本產品無污染、功耗低,適用于各種工業及民用建筑。
二、利達LD6806G中繼模塊功能特點
二總線,無極性,不占地址點。
電源總線,有極性。
實現隔離的信號中繼功能,輸出能力達750mA。
輸出帶短路和過載保護,可自動恢復。
三、利達LD6806G中繼模塊技術參數
型號LD6806G
名稱中繼模塊
品牌利達
工作電壓電源線DC24V,二總線DC14V~24V
工作電流電源線750mA,二總線<5.0mA
指示燈監視狀態紅燈閃亮,故障時不亮
工作溫度-40℃~+55℃
相對濕度≤95%,無凝露
外殼防護等級IP40
重量約110 g(含底座)
外形尺寸85 mm×85mm×35 mm(帶底座)
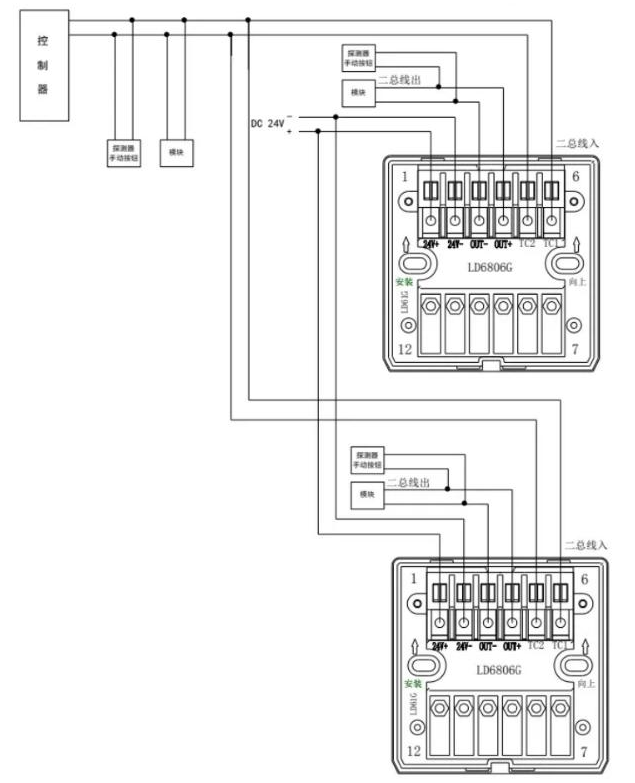
四、利達LD6806G中繼模塊接線圖

TC1、TC2:探測二總線,無極性
OUT+、OUT-:TC電壓輸出
24V+、24V-:24V電源,有極性
上一篇:利達LD4900G中繼模塊
本文標簽: 利達LD6806G中繼模塊
最新產品
相關新聞
- 國家消防救援局關于嚴格規范消防監督檢查的通知2025-10-15
- 消防總隊回復:氣體滅火系統七氟丙烷,二氧化碳鋼瓶滅火劑充裝檢測周期2025-10-15
- 消防電梯設置指南2025-09-24
- 住宅品質提升設計中有哪些與消防相關2025-09-24
- 火災報警系統避難層區域機的問題2025-09-18
- 消防泵房與消控室共用雙電源轉換裝置的可行性分析2025-09-18
- 寫字樓高樓層環形公共走道占用裝修成辦公室區域2025-09-13
- 利達消防氣體滅火需要有的四種控制方式2025-09-10
- 化工裝置GDS系統設置方式2025-09-10
- 利達全氟己酮、七氟丙烷兩類滅火介質滅火產品主要技術與滅火性能特點、區別、場所大小應用要點探討2025-09-06



服務熱線:4006-598-119 18751140119
地址:蘇州常熟市黃河路275號
客服 